聯系我們
18903178757
- 地址:
- 河北省泊頭市富鎮開發區
- 傳真:
- 0317-8041117
- Q Q:
- 28505225
旁路式旋風除塵器
5.7.1XLP型旁路式旋風除塵器
(1)結構特點
①具有螺旋形旁路分離器旁路式旋風除塵器是在一般旋風除塵器上增設螺旋形旁路
分離器。其含塵氣體進口位置較低,能在除塵器頂部有 充足的空間形成上旋渦氣流,使顆粒較細的粉塵生成粉 塵環,并由旁路分離器帶人錐體。較粗粉塵顆粒隨下旋 渦氣流分離至外壁,其中部分粉塵由旁路分離室引出, 余下的粉塵隨下氣流進入灰斗6因此,對于20/xm以下 粉塵的除塵效率能達80%?90%,特別對于以上 粉塵有較高的除塵效率。
②具有特殊結構的錐體XLP/A型旁路式旋風除 塵器有雙錐體結構,上錐體圓錐筒較大,形成突縮,有 利于生成粉塵環。下錐體更為細長,避免將分離出來的 粉塵帶人中央區,被中心氣流排出,
XLP/B型旁路式旋風除塵器具有較小圓錐角的單 錐體,錐體較長,能提高除塵效率。
旁路式旋風除塵器結構原理如圖3-29所示

(2)技術性能
①除塵效率XLP型旁路式旋風除塵器在不同氣 速下的除塵效率見表5‘41,在一定工況下的分級除塵 效率見表5-42。
XLP/A型旁路式旋風除塵器在進口氣速為15. 5m/s 時,XLP/B型旁路式旋風除塵器在進口氣速為18 . 5m/s時,對不同物料的除塵效率見 表 5-43。


(3)型號規格
旁路式旋風除塵器有呈半螺旋彤的XLP/A型和呈全螺旋形的XLP/B型兩種型號*規 格各有筒體直徑為灼00?1060mm共7種。根據風機前后位置分為X型(吸人式)和Y型 (壓人式),其中X型增加了出口蝸殼。按出口蝸殼旋轉方向分為N型(左回旋)和S型 (右回旋其主要性能見表5_45。結構尺寸見圖5_30、圖和表5-46,表5-47,其配套 使用的蝸殼尺寸見圖5-32和表進出口接管尺寸見圖5-33和表5-49?




為處理大氣量的需要,XLF/B型旁路式旋風除塵器另有筒體直徑為>1250mni、 ?1500mm、01750mm、#2000mm、#2250mm、#2500mm、^2750mm 和 >3000mm 共 8 種規 格,結構如圖5-34所示,主要尺寸見表5-50。



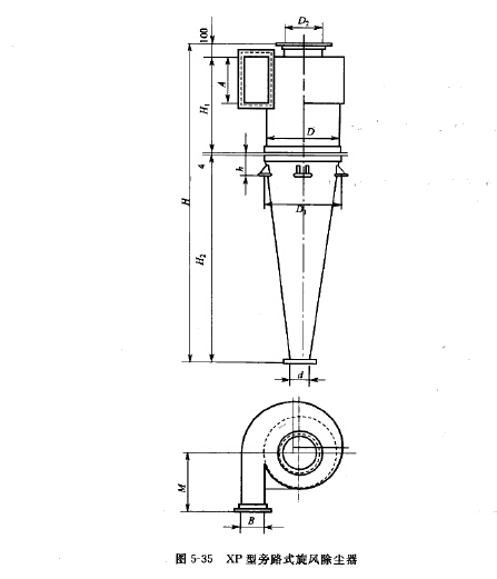
5.7.2 XP型旁路式旋風除塵器
(1)技術性能
XP型旁路式旋風除塵器的結構特點是具有蝸殼形的進氣口和直形旁路分離室。適用于 一級工業通風除塵、工業廢氣中物料的回收^其技術性能見表5-51。

?
(2)除塵效率
以滑石粉、煤粉為試樣,在直徑為450mm、進q氣速為18m/s、含塵濃度為6g/m3時,測得的除塵效率見表5-52。

?
(3)型號系列
XP型旁路式旋風除塵器尺寸見圖5-35和表5-53。



上一篇:沉降除塵器的結構與系列
下一篇:長錐體旋風除塵器
