- 地址:
- 河北省泊頭市富鎮開發區
- 傳真:
- 0317-8041117
- Q Q:
- 28505225
通常小型脈沖除塵器清灰壓力較髙,為0.4?0.7MPa,TBLM系列低壓脈沖袋式除塵器 清灰壓力為常規小型除塵器的1/10左右,即0.02?0.08MPa,它是技術上不斷提高、更新和 完善的新一代產品。
該設備可廣泛用于溫度低于1001C的含塵氣體的氣、塵分離作業,由于脈沖清灰氣源無 油、無水、不會污染。故特別適用于食品、糧食、醫藥、衛生等行業> 也可用于冶金、水泥、 礦山、鑄造等行業。
1.主要設計特點
(1)圓筒形箱體,箱體剛度、強度好。
(2)含塵氣體切向離心人機,起到初級降塵凈化功能,提高了除塵效果。
(3)淸灰脈沖氣源壓力低,本系列設備特有的低壓0.05MPa噴吹技術使脈沖閥使用壽命 大大延長。氣源配套:單臺濾塵器可配套滑片或低壓氣泵;多臺設備,可配套低壓風泵亦可配 套羅茨鼓風機集中供氣。
(4)占地面積小、噪聲低、設備設計緊湊。低壓風泵噪聲為78dB。
(5)由電子信號直接啟動低壓脈沖電磁閥實現噴吹,放氣量大,性能先進可靠。
(6)脈沖控制采用脈沖控制儀,具有智能化,實現了噴吹間隔和脈沖寬度輸入數字化,輸出監控化,穩定性好,可靠性高。
2.結構
TULM系列袋式除塵器分設上箱體、中箱體、下箱體和支腿四部分。上箱體內置電磁閥、 氣包、噴吹管、花板等零部件,周向置凈氣出口;中箱體內置濾袋,濾袋固定架,彈簧籠骨等 零部件,切向置含塵氣體人口,周向置中檢修門;下箱體內置刮灰板,下置刮板減速電機和關 風器電機,周向設灰斗檢修門。各箱體間加墊橡膠墊密封,以螺栓連接。.
支腿焊接在錐形下箱體上,起支承和固定整個濾塵器的作用。
3.工作原理
當含塵氣體從箱體進風口切向進入箱體后,一部分較粗顆粒粉塵由于離心力的作用, 沿筒壁旋轉落人灰斗,起到初級除塵作用,另一部分較細的粉塵被滯留在袋外,凈化后的 氣體穿過濾袋進人上箱體由排風U排出,當濾袋表面的粉塵在過濾過程中不斷增加時,濾 塵器阻力亦將增大,為使設備維持在限定(一般0.8?1.2kPa)范圍內,必須進行清灰以達 到抖落粉塵,降低阻力的目的。該系列產品是采用控制器控制的低壓脈沖噴吹清灰的辦法, 使各濾袋在其接受噴吹及誘導氣源的作用下造成布袋瞬時間鼓脹,抖落粉塵,并由排灰機 構排出》
脈沖閥工作原理。當低壓電磁閥未接通電源時,電磁膜片關閉泄放孔,此時,a室的壓縮 空氣經由節流孔進人b室,大膜片在b室內的壓縮空氣和彈簧的共同作用下(大膜片在b室受 壓面積比在a室受壓面積大),被緊壓在噴吹管上,噴吹管不噴吹;當低壓電磁閥接通電源時, 電磁膜片被吸離泄放孔,排氣孔接通,b室內的壓縮空氣則經由泄放孔和排氣孔排出閥體之 外,由于泄放孔截面積遠大于膜片上節流孔截面積,故b室壓力由于空氣補足不上而大大降 低,使大膜片受b室壓力(空氣壓力和彈簧共同作用)小于a室壓力(壓縮空氣產生的壓力), 大膜片被上抬,壓縮空氣則經由噴吹管噴出噴吹布袋,造成布袋瞬間時鼓脹,抖落粉塵。
4.型號規格參數
(1) TBLM系列低壓脈沖袋式除塵器基本參數如下:
①過濾風速:1?2m/min。②設備阻力:0.8?1.2MPh③漏風率:l/xm時,>99.5%。⑤脈沖噴吹壓 力:0. 05MPa
(2) TBLM-A型袋式除塵器規格見表5-17。


5. TBLM系列除塵器外形尺寸
(1) TBLM-A型除塵器的外形尺寸見圖5>17和表5^19,其進出口尺寸見圖5-18和表5-20。


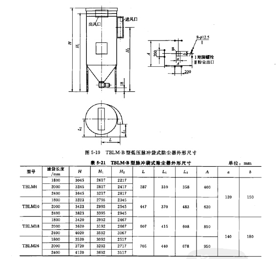
(2) TBLM-B型袋式除塵器外形尺寸圖5-19和表5-21,其進出口尺寸與TBLM-A相同。

6.配套裝置
(1)配套的ZLMC型脈沖控制儀技術參數如下:
①輸入電壓AC 180?240V 50Hz
②輸出電壓DC 24V
③輸出電流1A
④輸出路數:
26路,1?26任選;39路,]?39任選》
56路,1?52任選;65路,1?65任選。
⑤輸出脈沖間隔:1?60s (1?99s)可調
⑥輸出脈沖寬度:0.01?0.30s (0.01?0.99s)可調
⑦外形尺寸:210mmX270mmX80mm
⑧使用環境:溫度:一20?50*C;空氣相對濕度
(2)配套的ZYWB系列滑片式真空壓力復合風泵技術參數見表5-22。

7.使用注意事項
(1)安裝
①根據實際安裝需要,在除塵器地腳尺寸不變的情況下,凈氣出口處可在水平面內任意 轉動《X12°(n為正整數),以方便于現場空間里管道布置。
②吊裝方法。吊運時可整機吊運,也可將濾塵器拆分為上箱體(含氣包和花板及控制分 配器)、中箱體(含檢修門)、下箱體、關風器及低壓風泵幾大部分,安裝時應注意使濾塵器處 于垂直狀態。
③現場安裝順序。a.將下箱體(錐形體帶支腿)就位,將下箱體上表面找水平,上好地 腳螺栓。b.將中箱體就位,并與下箱體用蜾栓連接(注意在中箱體與下箱體間加橡膠密封 墊)。c.按凈氣出口方向要求吊裝上箱體,在中箱體與上箱體法蘭間加橡膠密封墊,并用螺栓 將兩個箱體緊密連接起來。d.選擇環境清潔、通風良好、地面平整的地方放置低壓風泵。在 風泵進風口安裝好粉塵過濾裝置。e.將關風器與下箱體粉塵出口相連接,并按要求將油箱注 人機油。f.連接進出風口管路和壓縮空氣管路。g.選擇便于操作觀察位置,將電腦控制器裝 在濾塵器上。h.接通電腦控制器與低壓電磁閥的導電線,并將控制器、關風器、刮板電機和 低壓風泵的輸入導線與相應的電源接線柱連接起來。這里要特別注意的是:此時電源接線柱應 呈斷開無電狀態,以保證人身安全。
(2)試車
①試運轉前應將所有的機件檢查一遍,尤其是螺栓及連接件,如有松動,應立即擰緊并 確認所有的潤滑部位都有潤滑劑。
②點動電源按鈕以檢查關風器、刮板和低壓風泵轉向是否正確。
③接通電腦控制器電源,檢查低壓電磁閥是否動作,是否與控制器顯示相協調;脈沖間 隔和脈沖時間調整后反應是否正確可靠。
④空車試運轉觀察壓力表壓力是否正常,各低壓電磁閥噴吹是否正常,風泵、關風器運 轉是否平穩。
⑤空車試運轉正常后,將濾袋裝人(濾袋必須包扎緊固以保證密封,并在工作中不至于 脫落)。
(3)運轉
①開車順序:關風器—刮板電機—低壓氣泵—電腦脈沖控制器—風網中的風機。
②停車順序:風網中的風機—(在風機停止一個脈沖周期之后)低壓氣泵—電腦脈沖控 制器—刮板電機—關風器。
③脈沖噴吹時間和噴吹周期的調整
脈沖噴吹時間在出廠前巳調整好,一般無需再調。
單獨供氣時,噴吹周期的調整原則是:觀察噴吹氣包壓力,在每次噴吹后壓力升到
0.05MPa左右,開始下一脈沖噴吹;集中供氣時,應將噴吹周期適當調小以控制過濾阻力。
(4)維護和保養為了使濾塵器充分發揮除塵效率,必須適時給以維護和保養:
①lOOOh向風泵軸承加一次LC-250型高滴點合成潤滑脂,每年更換一次潤滑脂;
②每半月對風泵濾清器進行一次清掃,以保持氣路暢通;
③經常檢查關風機減速電機的油箱的潤滑脂并及時補足;
④保持脈沖控制器表面清潔;
⑤每周打開檢査門,檢査各濾袋是否正常,表面積粉是否有過多現象,并查找原因,排 除故障I
⑥發現故障應及時停機,查找原因,修后再用;
⑦每年檢查1?2次脈沖閥中的大膜片,發現破損、老化的應及時更換。
(5)常見故障排除常見故障分析及排除方法見表5-23。
?

?
?

上一篇:VLG型吸料脈沖除塵器
下一篇:金屬纖維高溫脈沖除塵器

